INFO@MEHPRIVOD.RU
ООО Мехтехника
Тел.: 8 (800) 505-36-88

Мотор-редукторы планетарные МПО2М-10, МПО2М-15

Мотор-редукторы планетарные МПО2М-10, МПО2М-15

Планетарные мотор-редукторы серии МПО2М представлены двумя модификациями МПО2М-10 и МПО2М-15 каждая из которых рассчитана на эксплуатацию в качестве привода в химической промышленности. Для удобства при монтаже агрегат оснащен лапами либо фланцем, вариант крепления оговаривается при заказе. Режим эксплуатации соответствует российским стандартам S1 (ГОСТ 183-74). Питание осуществляется от сети переменного тока 220 или 380 вольт, переключить показатель напряжения можно в клеммной коробке электродвигателя. По желанию заказчика возможна установка взрывозащищенного электродвигателя общепромышленного или рудничного исполнения.

Цена: от 42 700 руб.

Базовые условия использования планетарного мотор-редуктора:

  • Нагрузка, оказываемая на устройство, может носить переменный или постоянный характер как по показателям величины, так и по параметрам направления;
  • Выходной вал вращается в обе стороны, предпочтений нет;
  • Крутящий момент рекомендуется передавать посредством промежуточного устройства, которое предусматривает возможность исключения действия поперечных сил на вал м-редуктора;
  • Температурные требования среды: от -40°С до +40°С;
  • Особенности климатических исполнений мотор-редукторов: У, Т, категории размещения 2, 3 (ГОСТ 15150-69), высота над уровнем моря <1000метров;
  • Требования к окружающей среде: неагрессивная, непроводящая пыль <10 мг/м³, значения относительной влажности не более 80%, температура +20°С - для устройств, оснащенных закрытыми обдуваемыми электродвигателями;
  • Параметры взрывоопасности: зона В-1а, категория взрывоопасных смесей II-А, II-В, категория взрывоопасных смесей t°C самовоспламенения Т4 согласно ПУЭ для мотор-редукторов, оснащенных взрывозащищенными электродвигателями.

Общее описание:

Мотор-редукторы модификаций МПО2М-10 и МПО2М-15 могут иметь несколько вариантов исполнения, которые разделяются, исходя из особенностей монтажа и положению в пространстве:

  • Щ - горизонтальное исполнение (опорные лапы);
  • Ф - горизонтальное исполнение (опорный фланец);
  • В – вертикальное исполнение (опорный фланец);
  • ВК - вертикальное исполнение на опорном фланце, кольцевая канавка на валу.

Оборудование характеризуется высоким качеством, которое подтверждается не только в ходе многочисленных исследований, но и положительными отзывами покупателей и заказчиков. Стоимость мотор-редукторов окупается максимально быстро за счет высоких показателей КПД систем и процессов, предполагающих использование этого типа приводного устройства.

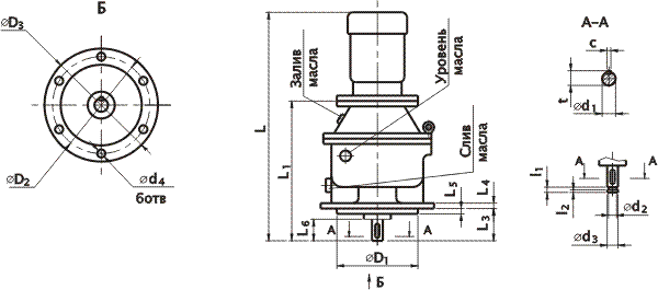
Мотор-редуктор МПО2М горизонтального исполнения на лапах – Щ

РИС 1. Мотор-редуктор горизонтального исполнения на лапах – Щ

Габарит

L1

L2

L3

L4

l

A

A1

В

B1

С

H

H1

H2

d1

d2

R

t

МПО2М-10

125

40

420

60

80

250

150

300

210

12

370

160

20

40

17

150

43

МПО2М-15

215

65

615

100

140

390

210

460

300

18

496

225

35

65

22

210

69

ТАБЛ 1. Мотор-редуктор горизонтального исполнения на лапах

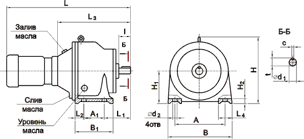
Мотор-редуктор МПО2М горизонтального фланцевого исполнения – Ф

РИС 2. Мотор-редуктор горизонтального фланцевого исполнения – Ф

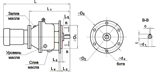
Мотор-редуктор МПО2М вертикального фланцевого исполнения – В и ВК

РИС 3. Мотор-редуктор вертикального фланцевого исполнения – В и ВК

Габарит

L1

L3

L4

L5

L6

D1

D2

D3

d1

d2

d3

d4

l1

l2

c

t

МПО2М-10

420

110

16

6

80

270

300

330

40

32

38

13

11

4

12

43

МПО2М-15

615

190

20

10

140

330

375

420

65

55

62

22

14

6

18

69

ТАБЛ 2. Мотор-редуктор горизонтального и вертикального фланцевого исполнения – Ф , В и ВК

Технические характеристики МПО2М

Мотор-редуктор

Электродвигатель

Типо­размер

Передаточное число

Номинальная частота вращения выходного вала, об/мин

масса мотор-редуктора, кг,не более.

Корректированный уровень звуковой мощности по шкале А, дБ, не более

Тип

Мощность, кВт

МПО2М-10

23,1

63

102

89

4АМХ100s4

3

142

2В100s4

28,2

50

102

4АМХ100s4

142

2В100s4

86

86

4АМХ80B4

1,5

100

B80B4

81

4АМХ71B4

0,75

88

B71B4

45,5

31,5

86

4АМХ80B4

1,5

100

B80B4

45,5

31,5

81

86

4АМХ71B4

0,75

88

B71B4

66,5

20

86

4АМХ80B4

1,5

100

B80B4

81

4АМХ71B4

0,75

88

B71B4

81,6

16

81

4АМХ71B4

88

B71B4

208

6,3

71

4АА63B4

0,37

85

B63B4

2190

0,63

71

4АА63B4

85

B63B4

МПО2М-15

24,6




32,1

59




45

267

93

4АМ132М4

11

315

2В132М4

252

4АМ132s4

7,5

305

2В132s4

267

4АМ132М4

11

315

2В132М4

252

4АМ132s4

7,5

305

2В132s4

228

4АМ112МА4

5,5

270

2В112М4

46,9

31

228

4АМ112МА4

270

2В112М4

81,5

18

207

89

4АМХ100sА4

3

260

2В100s4

101,7

14

191

86

4АМХ80В4

1,5

204

В80В4

204

6,7

186

4АМХ71В4

0,75

195

В71В4

4,6

190

4АМХ80А6

202

В80А6

2469

0,56

186

4АМХ71А4

0,55

195

В71А4

 

Типоразмер

Радиус водила, мм

Допускаемый крутящий момент на выходном валу, Н*м

Допускаемые нагрузки на выходном валу, Н

радиальная

осевая

МПО2М-10

50

600

3000

1500

МПО2М-15

75

2350

7000

3000

Габаритные размеры комплектующих электродвигателей

Тип 4А

Тип 2B

Габарит

L, mm

Габарит

L, mm

63В4

186

63В4

245

71А4

245

71А4

265

71В4

245

71В4

265

80А6

260

80А6

300

80В4

270

80В4

300

100S4

305

100S4

455

112MA4

372

112MA4

520

132M4

450

132M4

540

132S4

400

132S4

505

Пример условного обозначения при заказе:

Мотор-редуктор МПО2М-10Щ-28,2-1,5/50АМХ80В4У3 ТУ 2-056-223-84, где:

  • МПО2М - тип мотор-редуктора;
  • 10 - условный диаметр водила, см;
  • Щ - горизонтальное на опорных лапах;
  • 28,2 - передаточное число;
  • 1,5 - мощность комплектующего двигателя, кВт;
  • 50 - частота вращения выходного вала, об/мин;
  • 4АМХ80В4 - комплектующий двигатель;
  • У3 - климатическое исполнение и категория размещения.

То же, климатического исполнения Т3

МПО2М-10Щ-28,2-1,5/50АМХ80В4T3 ТУ 2-056-223-84.