INFO@MEHPRIVOD.RU
ООО Мехтехника
Тел.: 8 (800) 505-36-88

Червячные мотор-редукторы 2МЧ-40, 2МЧ-63, 2МЧ-80

Червячные мотор-редукторы 2МЧ-40, 2МЧ-63, 2МЧ-80

Мотор-редукторы червячные одноступенчатые универсальные серии 2МЧ-40, 2МЧ-63, 2МЧ-80 обеспечивают крутящие моменты на тихоходном валу 85—2000 Н-м в диапазоне передаточных чисел 8—80. Используются в качестве привода различных машин и агрегатов. Мотор-редукторы допускают кратковременные перегрузки, в 2 раза превышающие номинальные и возникающие во время пусков и остановок двигателя. Редукторы применяются с лапами и без лап. Одинаковое расстояние между осями отверстий в приливах позволяет с помощью лап менять пространственное положение мотор-редуктора в соответствии с вариантами расположения червячной пары. В зависимости от варианта сборки редуктора тихоходный вал может быть одноконцевым, двухконцевым или полым.

Цена: от 6 150 руб.

УСЛОВИЯ ПРИМЕНЕНИЯ РЕДУКТОРОВ:

  • нагрузка постоянная и переменная в пределах номинального крутящего момента
  • вращение выходного вала в любую сторону
  • климатические исполнения У3 и Т2 по ГОСТ 15150-69 при работе на высоте над уровнем моря до 1000 м, допускается работа мотор-редуктора на высоте более 1000 м над уровнем моря при соблюдении требований ГОСТ 183-74;
  • внешняя среда - неагрессивная, невзрывоопасная, с содержанием непроводящей пыли не более 10 мг/м3

Общее описание:

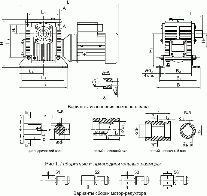
Габаритные и присоединительные размеры 2МЧ-40, 2МЧ-63, 2МЧ-80

РИС . 1 Габаритные и присоединительные размеры 2МЧ-40, 2МЧ-63, 2МЧ-80

Типоразмер мотор-редуктора

Lmax

L1

L2

L3

L4

Bmax

B1

B2

Hmax

H1

H2

H3

P

I

2МЧ-40

370

105

180

150

90

164

140

100

180

112

40

105

15

90

2МЧ-63

470

150

220

180

110

197

165

125

225

145

63

150

20

120

2МЧ-80

540

180

260

225

130

212

185

140

296

172

80

180

20

145

Типоразмер мотор-редуктора

l1

l2

l3

l4

d1

d2

d3

t

t1

c

c1

D1

D2

2МЧ-40

28

20

112

28

18

23

25

20,5

20,8

6

6

16

10,5

2МЧ-63

42

20

108

20

28

33

35

31

29,3

8

8

18

12,5

2МЧ-80

58

25

116

24

35

41

44

37,5

38,3

10

10

18

12,5

ТАБЛ 1. Габаритные и присоединительные размеры 2МЧ-40, 2МЧ-63, 2МЧ-80

Конструктивное расположение по способу монтажа 2МЧ-40, 2МЧ-63, 2МЧ-80

РИС 4. Конструктивное расположение по способу монтажа 2МЧ-40, 2МЧ-63, 2МЧ-80

ТЕХНИЧЕСКИЕ ХАРАКТЕРИСТИКИ МОТОР-РЕДУКТОРОВ 2МЧ-40, 2МЧ-63, 2МЧ-80

Номинальная частота вращения выходного вала об/мин

Допускаемая радиальная консольная нагрузка, приложенная к середине посадочной части конца выходного вала, Н

Номинальный крутящий момент на выходном валу Н х м , при ПВ , %

КПД, % в непрерывном режиме с ПВ, 100%, не мене

Типоразмер двигателя серии АИР

Мощность двигателя,
кВТ

Корректи-рованный уровень звуковой мощности, дБА, не более

Масса
мотор-
редуктора
кг,
не более

40

100

Мотор-редуктор 2МЧ-40

224

1500

20

68

63В2

0,55

80

12,4

180

24

67

63В2

0,55

140

22

58

63В4

0,37

112

28

26

57

63В4

0,37

90

32

30

55

63В4

0,37

71

35

30

52

63В4

0,37

56

30

28

50

63А4

0,25

45

40

36

48

63А4

0,25

35,5

36

31

43

63А4

0,25

31

41

56В4

0,18

10,5

28

32

38

56В4

0,18

22,4

28

26

37

56А4

0,12

Мотор-редуктор 2МЧ-63

180

2400

100

80

66

80В2

2,2

83

26

140

100

71

64

80В2

2,2

80

62

80А2

1,5

80

25

112

100

60

80В2

2,2

83

26

90

59

80А2

1,5

80

25

90

125

100

66

80В4

1,5

26

71

125

90

64

80В4

1,5

112

62

80А4

1,1

25

56

125

59

80А4

1,1

100

53

71В4

0,75

22

45

125

54

80А4

1,1

25

112

49

71В4

0,75

22

35,5

125

46

71В4

0,75

100

44

71А4

0,55

21

28

125

43

71В4

0,75

22

112

41

71А4

0,55

21

22,4

125

37

71А4

0,55

18

140

100

40

71В6

0,55

22

100

38

71А6

0,37

21

14

125

90

36

71В6

0,55

22

100

34

71А6

0,37

21

11,4

112

80

30

71А6

0,37

Мотор-редуктор 2МЧ-80

224

400

180

125

75

100L2

5,5

87

49

125

74

100S2

4

83

43

180

180

71

90L2

3

38,5

125

69

140

180

66

112

180

64

125

63

80B2

2,2

33

90

250

180

67

100S4

3

43

180

66

90L4

2,2

38,5

71

250

64

100S4

3

43

180

63

90L4

2,2

38,5

56

250

61

90L4

2,2

38,5

180

59

80B4

1,5

80

33

45

250

200

57

90L4

2,2

83

38,5

200

55

80B4

1,5

80

33

35,5

250

180

50

80B4

1,5

33

180

48

80A4

1,1

31,5

28

250

48

80B4

1,5

33

180

46

80A4

1,1

31,5

22,4

224

160

41

80A4

1,1

33

160

40

71B4

0,75

28,5

18

224

38

80A4

1,1

31,5

160

37

71B4

 

28,5

14

260

180

38

80A6

31,5

11,4

260

36

80A6

31,5

180

35

71B6

0,55

28,5

ПРИМЕР УСЛОВНОГО ОБОЗНАЧЕНИЯ ПРИ ЗАКАЗЕ

Мотор-редуктор 2МЧ-40-71-51-1110-У3, 380, ТУ У3.26-00224828-343-98, где:

40 - межосевое расстояние, мм
71 - номинальная частота вращения выходного вала, об/мин
51 - вариант сборки по ГОСТ 20373-80
1110 - конструктивное исполнение по способу монтажа по ГОСТ 30164-94
У3 - климатическое исполнение и категория по ГОСТ 15150-69
380 - напряжение сети, В