INFO@MEHPRIVOD.RU
ООО Мехтехника
Тел.: 8 (800) 505-36-88

Модуль ввода-вывода дискретных сигналов LOGO! DM8 24R

Модуль ввода-вывода дискретных сигналов LOGO! DM8 24R

Модуль ввода вывода LOGO!DM8 24R с заказным номером 6ED1055-1HB00-0BA0:

  • Параметры питания: ~=24В;
  • Количество дискретных входов: 4;
  • Количество транзисторных выходов: 4 (нормально разомкнутые реле).

Цена: от 2 394 руб.

Общее описание

Устройство модуля LOGO!DM8 24

  • 1.Источник питания
  • 2-3. Входы и выходы   
  • 4. Индикатор типа RUN/STOP
  • 5. Интерфейс расширения 
  • 6. Штифты механической кодировки
  • 7. Гнезда механической кодировки
  • 8. Специальная защелка/фиксатор

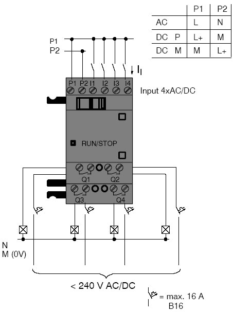
Особенности схемы и возможности подключения модулей расширения к LOGO!DM8 24

Схема подключения модулей расширения к LOGO!DM8 24R

Расшифровка нижеприведенных обозначений:

  •     «х» - подключение приемлемо,
  •     «-» - подключить нельзя.

Подключение модулей расширения к LOGO!DM8 24R

Специфика монтажа модуля LOGO!DM8 24R

Специфика монтажа модуля LOGO!DM8 24

Поэтапный монтаж на DIN-рейку:

1. На первом этапе осуществления монтажных работ следует навесить модуль на рейку;
2. Путем нажимания на нижнюю часть, срабатывает специальная защелка модуля, выполняется надежная его фиксация (защелка расположена на задней части прибора);
3. С правой стороны модуля находится крышка разъема, которую необходимо снять;
4. С правой стороны от LOGO!Basic помещается модуль на DIN-рейку;
5. Перемещаем модуль в левую сторону таким образом, чтобы последний контактировал с LOGO!Basic;
6. Посредством отвертки защелка отодвигается влево, после чего она должна занять крайнее левое положение.

Монтаж дополнительного оборудования выполняется путем поэтапного повторения всех пунктов, относящихся к монтажу цифрового модуля.

Поэтапный монтаж на стену:

Аккуратно переместите монтажные защелки наружу, как правило, они расположены на задней стенки устройства. Непосредственно монтаж модуля выполняется при помощи двух монтажных защелок и двух винтов ØM4 (момент затяжки 0,8-1,2Нм).

Технические характеристики LOGO!DM8 24R:

Блок питания:

Входное напряжение

24В переменный / постоянный ток

Допустимый диапазон

20,4...26,4В переменный ток
20,4...28,8В постоянный ток

Допустимая частота сети

47...63Гц

Потребление тока

- 24В переменный ток

- 24В постоянный ток

40...110мА

20...75мА

Буферизация исчезновения напряжения

тип. 5мс

Потери мощности

• 24 В переменный ток
• 24 В постоянный ток

0,9...2,7Вт
0,4...1,8Вт

Цифровые входы:

Количество

8, на выбор включение на P /на N

Потенциальная развязка

Нет

Входное напряжение L
• Сигнал 0
• Сигнал 1

< 5В переменного/постоянного тока
> 12В переменного/постоянного тока

Входной ток при
• сигнале 0
• сигнале 1

< 1,0мА
> 2,5мА

Время задержки при
• переходе с 0 на 1
• переходе с 1 на 0

тип. 1,5мс
тип. 15мс

Длина линии (неэкранированной)

100м

Цифровые выходы:

Количество

4

Тип выходов

Релейные выходы

Потенциальная развязка

да

Управление цифровым входом

да

Длительный ток Ith

5A на реле (max)

Нагрузка из ламп накаливания (25000 циклов переключения)

1000Вт

Люминесцентные лампы с дросселем (25000 циклов переключения)

10 x 58Вт

Люминесцентные лампы с обычной компенсацией
(25000 циклов переключения)

1 x 58Вт

Люминесцентные лампы, некомпенсированные (25000 циклов переключения)

10 x 58Вт

Понижение номинала

нет; во всем диапазоне температур

Устойчивость к коротким замыканиям при cos = 1

Защита по питанию B16, 600A

Устойчивость к коротким замыканиям при cos от 0,5 до 0,7

Защита по питанию B16, 900A

Параллельное включение выходов для увеличения мощности

Не допускается

Защита выходного реле (при необходимости)

макс. 16A, характеристика B16

Частота включений:

механическая

10Гц

омическая/ламповая нагрузка

2Гц

индуктивная нагрузка

0,5Гц